Dimensions, axes and hatches are automatically updated after change in 3D. Connections between these 2D objects and corresponding 3D objects are created within complete 3D view exported into 2D area. VariCAD provides a lot of tools for checking of updatable 2D objects.
Horizontal, vertical or parallel dimensions are updated automatically, if both dimensioned points are selected within one 3D view, at 2D objects. Detection of updatable location is signaled in cursor tool-tip. In front of coordinates, UPG+ is displayed. If one dimensioned point is not located at 2D object exported from 3D, or if location is not within the same view, the created dimension is not updatable.
Similarly, angular dimensions are updatable, if both detected lines are from same 3D view exported into 2D area. Detection of objects corresponding to updatable dimension is displayed as UPG+ near cursor, too.
Radius or diameter dimensions are updatable, if dimensioned circle or arc belongs to 3D view exported into 2D. Finish symbols are updatable, if they are located at arc or line from 3D view. Again, detection of objects corresponding to updatable dimension is displayed as UPG+ near cursor.
If a dimensioned point is located at end-point of axis, the dimension is updatable if the axes is updatable, too.
Following images show example of updatable dimension creation.

Top view of the solid will be created and dimensioned.

Creation of circle axes. A circle is detected and toolbar near cursor shows connection to 3D (UPG+).

Created circle axes.

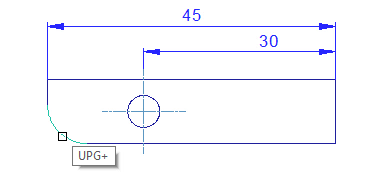
Creation of a horizontal dimension. First location (point) is detected at end of updatable semi-axis. Tool-tip near cursor shows connection to 3D (UPG+).

Second location (point) of horizontal dimension is detected.

Creation of radius dimension. An arc is detected. Tool-tip near cursor shows connection to 3D (UPG+).

Finished dimensions.
See how these dimensions are updated after change of 3D shape.
Created axes are updatable, if corresponding 2D objects are updatable, too.
| Axes of circle or arc are updatable, if the corresponding circle or arc are updatable. See previous section – creation of updatable circle axes. |
| Axis connecting two points with defined excess is updatable, if both points are located at updatable 2D objects. For instance, you can detect a mid-point, circle quarter etc. In case of axes creation within 3D view, axis by two points is intended as axis of symmetrical objects or row of holes, but not as axis of rotation surface |
| Axis of rotation surface. This axis cannot be created, if lines corresponding to rotation surface are not part of 3D view. This type of axes is created as updatable. See Creation of axes of rotation surface how to create such type of axes. |
| Pitch circle is updatable, if all automatically detected circles at pitch diameter are updatable. Also, outer diameter surrounding these circles, or inner hole must be updatable. See Creation of pitch circle how to create such type of circles. |
Hatches in 3D view are updated automatically, if their boundaries are selected completely as outline of a 3D section. Also, you can use corresponding option to detect such boundaries automatically:
| Updatable 3D sections detection |
Example of updatable hatches creation:

A 3D solid with section turned on. Front view is exported into 2D area.

This option allows to detect boundaries of entire section at one step.

Boundaries of 3D section are detected

Confirmation of hatches

Created hatches of 3D section. After changes of 3D model, these hatches are rebuilt automatically.
VariCAD provides tools for checking of updatable objects and checking of properly or improperly updated dimensions, axes or hatches. These objects can be temporarily or permanently highlighted.
Highlight Objects Related to 3D View Exports HOD |
Selected type of objects can be highlighted temporarily or permanently. You can highlight:
Updated dimensions with tolerances or fixed texts can be checked after automatic changes, so you can highlight them to make checking easier.

Example of selection of highlighting – automatically updated dimensions and other objects.

Selected type of objects is highlighted.

Example of selection of highlighting – 2D lines, curves, circles or arcs created by 3D view export.

Selected type of objects is highlighted. Dimensions connected to them will be updated automatically.
Highlight Objects Off - OOD |
If objects are permanently highlighted – in command described above, or automatically as not-updated dimensions, you can turn highlighting off. Select whether turn off highlighting in entire drawing or in selection window.
Zoom in on Highlighted Dimensions - ZOD |
If objects are permanently highlighted – in command described above, or automatically as not-updated dimensions, you can zoom in on each individual object. This option may be useful in case of large drawings containing a lot of dimensions. Some of not updated dimensions can be neglected. Automatic zooming makes easy to handle each unsolved situation.
| Highlight off selected objects. This option appears, if you select 2D objects and some of them are highlighted. Click the option “For highlighted, highlight off” to turn highlighting off |
| Remove 3D connections of selected objects. This option appears, if you select 2D objects and some of them cannot be updated. Click the option “For improperly updated, remove connections to 3D” to turn 3D connections off |
Remove Objects Unable to be Updated - ROD |
After changes in 3D and switch mode into 2D, some dimensions, axes or hatches cannot be updated. Typically, it is if corresponding 3D objects were removed or replaced. A solid in following example was dimensioned here. Then, shape was changed and dimensions were updated.

A changed solid, already dimensioned.

Horizontal dimensions and axes of circle were adjusted properly after the corresponding hole was moved. Dimension of radius is automatically highlighted and not updated, after deleting of corresponding fillet.

Removing of objects unable to be updated. Command options are displayed in dialogue panel.