寸法、軸、ハッチは 3D での変更後、自動で更新されます。これらの 2D オブジェクトと、対応する 3D オブジェクト間のリンクは 2D 領域に書き出された完全な 3D ビュー内で作成されます。VariCAD には、更新可能な 2D オブジェクトを確認するためのツールが多くあります。
寸法の 2 点が 1 つの 3D ビュー内で選択されている場合、2D オブジェクトで横、縦、平行寸法が自動で更新されます。更新可能な位置の検出はカーソルツールチップで表示されます。座標の前に UPG+ が表示されます。1 つの寸法点が 3D から書き出された 2D オブジェクトに位置していない、または同じビュー内に無い場合、作成された寸法は更新されません。
同様に、検出された線分が、同じビューから 2D 領域に出力されている場合、 3D 角度寸法は更新されます。更新可能な寸法に対応するオブジェクトの検出は、カーソル近くに UPG+ と表示されます。
2D に書き出された 3D ビューに、寸法表示された円または円弧が属している場合、半径または直径寸法は更新されます。3D ビューからの円弧または円の位置に仕上げ記号がある場合、更新されます。また、更新可能な寸法に対応するオブジェクトの検出は、カーソル近くに UPG+ と表示されます。
寸法の 1 点が軸の端点に位置している場合、寸法は更新され、軸も更新されます。
更新可能な寸法の作成例です。

ソリッドの上から見たビューの作成と寸法表示

円の軸の作成 円の検出とカーソル近くにツールバーで表示される 3D とのリンク(UPG+)

作成された円の軸

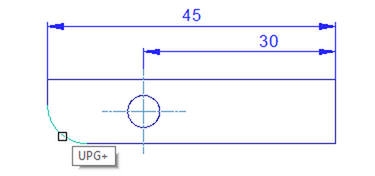
横の寸法の作成 更新可能な半軸で最初の位置(点)を検出 カーソル近くで、3Dとのリンクを示すツールチップ表示 (UPG+)

横寸法の 2 つ目の位置(点)を検出

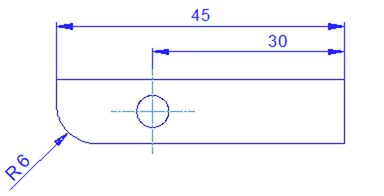
半径の寸法の作成 円弧の検出 カーソル近くで、3Dとのリンクを示すツールチップ表示

寸法の終了
2D オブジェクトを更新した場合、対応する、作成した軸の更新も可能です。
| 円または円弧を更新した場合、対応する、作成した円または円弧の軸の更新も可能です。前のセクション– 更新可能な円の軸の作成 を参照ください。 |
| 更新可能な 2D オブジェクト上に 2 点が位置している場合、定義したはみ出し幅で、2 点にリンクする軸も更新されます。例えば、中点、4 分の 1 の円を検出できます。3D ビュー内の軸の作成の場合、2 点による軸は対称オブジェクトまたは穴の横列の軸となりますが、回転表面の軸にはなりません。 |
| 回転表面に対応する線が 3D ビューの一部ではない場合、回転表面の軸を作成できません。このタイプの軸は更新可能なものとして作成されます。回転表面の軸の作成方法は 回転表面の軸の作成 を参照ください。 |
| ピッチの直径で、自動検出されたすべての円が更新された場合、ピッチの円の更新が可能です。また、これらの円を囲む外側の直径、または内側の穴は更新する必要があります。円の軸の作成方法は ピッチ円の作成 を参照ください。 |
ハッチの境界線が 3D 断面の外形線として完全に選択された場合、3D ビューのハッチは自動的に更新されます。また、境界線を自動検出するオプションを使用できます:
| 更新可能な 3D 断面の検出 |
更新可能なハッチ作成の例

断面表示がオンの 3D ソリッド 2D 領域へ書き出された正面から見たビュー

ワンステップで断面全体の境界線を検出できるオプション

3D 断面の境界線の検出

ハッチの確認

作成された 3D 断面のハッチ 3D モデル変更後、ハッチは自動で再生成されます。
VariCAD には更新可能なオブジェクトをチェックし、更新された寸法、軸、ハッチが適切か適切ではないかをチェックするツールがあります。これらのオブジェクトは一時的または永続的にハイライト表示されます。
3D ビューの書き出しに関連するオブジェクトをハイライト - HOD |
選択したタイプのオブジェクトを一時的または永続的にハイライトできます。次のタイプをハイライト表示できます:
自動更新後に公差または固定された文字列を持つ更新された寸法をチェックできます。それらをハイライト表示することで、より簡単にチェックできます。

ハイライト表示の選択例 - 自動更新された寸法とその他オブジェクト

選択したオブジェクトタイプのハイライト表示

ハイライト表示の選択例 - 3D のビューの書き出しで作成された 2D 線分、曲線、円、円弧

選択したタイプのオブジェクトのハイライト表示 それらにリンクする寸法を自動で更新
ハイライトのオフ - OOD |
オブジェクトを永続的にハイライト表示されている場合 - 上記のコマンドでハイライト表示をオフにできます。図面全体か選択ウィンドウ内でハイライト表示をオフにするか選択できます。
ハイライトされたオブジェクトを拡大表示 - ZOD |
オブジェクトが永続的にハイライトされている場合 - 上記コマンドでオブジェクトを個別に拡大表示できます。このオプションは、多くの寸法を含んだ大きな図面の場合に便利です。更新されていない寸法は無視されます。自動拡大表示は解決されない状況の処理を簡単にします。
| 選択したオブジェクトのハイライトをオフ このオプションは、2D オブジェクトを選択し、それらがハイライトされている場合、表示されます。"ハイライトされている場合、ハイライトをオフにします"オプションをクリックし、ハイライト表示をオフにします。 |
| 選択したオブジェクトの 3D リンクを削除します。このオプションは、2D オブジェクトを選択し、そられが更新できない場合、表示されます。"更新されていないオブジェクトの 3D へのリンクを削除"オプションをクリックし、3D リンクをオフにします。 |
ビューの書き出しで更新不可のオブジェクトを削除 - ROD |
3D で変更し、2D モードへ切り替える場合、いくつかの寸法、軸、ハッチで更新できない場合があります。これは、対応する 3D オブジェクトが削除されたか、移動した場合に起こります。次の例では、寸法記入されているソリッドの形状が変更され、寸法が更新されています。

変更された、寸法記入されているソリッド

穴が削除された後、対応する横の寸法と円の軸が適切に更新されました。フィレット削除後は、対応する半径の寸法は自動でハイライトされ、更新されません。

更新できないオブジェクトを削除、コマンドオプションがダイアログパネルに表示されます。