2D kóty, osy a šrafy jsou automaticky aktualizovány po změně 3D těles. Vazba mezi těmito 2D položkami a odpovídajícími 3D tělesy jsou vytvářeny v rámci kompletního 3D pohledu exportovaného do 2D oblasti. VariCAD poskytuje mnoho nástrojů pro kontrolu aktualizovatelných 2D objektů.
Horizontální, vertikální nebo paralelní kóty se automaticky aktualizují, pokud jsou oba kótované body vybrány na jedné položce exportované ze 3D. Detekce aktualizovatelného bodu je signalizována v tool-tipu kurzoru. Před souřadnicemi se zobrazí UPG+. Pokud jeden kótovaný bod není umístěn u 2D položky exportované ze 3D nebo pokud umístění není ve stejném pohledu, vytvořená kóta není aktualizovatelná.
Podobně jsou úhlové kóty aktualizovatelné, pokud jsou obě detekované čáry ze stejného 3D pohledu exportovány do 2D oblasti. Detekce objektů odpovídajících aktualizovatelným rozměrům se zobrazí také jako UPG+ poblíž kurzoru.
Rozměry poloměru nebo průměru jsou aktualizovatelné, pokud kótovaná kružnice nebo oblouk patří do 3D pohledu exportovaného do 2D. Detekce položek odpovídajících aktualizovatelným rozměrům je opět zobrazena jako UPG+ poblíž kurzoru.
Pokud je kótovaný bod umístěn v koncovém bodě osy, je kóta aktualizovatelná, pokud je aktualizovatelná i osa.
Následující obrázky ukazují příklady vytváření aktualizovatelných kót.

Bude vytvořen a okótován pohled shora na těleso.

Tvorba os kružnice. Je detekována kružnice a tool-tip poblíž kurzoru ukazuje vazbu na 3D (UPG+).

Vytvořené osy kružnice.

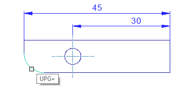
Vytvoření horizontální kóty. První bod kóty je detekován na konci aktualizovatelné poloosy. Tool-tip poblíž kurzoru ukazuje vazbu na 3D (UPG+).

Je detekován druhý bod horizontální kóty.

Vytvoření kóty poloměru. Je detekován oblouk. Tool-tip poblíž kurzoru ukazuje vazbu na 3D (UPG+).

Hotové rozměry.
Podívejte se, jak jsou tyto rozměry aktualizovány po změně 3D tvaru.
Vytvořené osy lze aktualizovat, pokud lze aktualizovat i odpovídající 2D položky.
| Osy kružnice nebo oblouku jsou aktualizovatelné, pokud lze odpovídající kružnici nebo oblouk aktualizovat. Viz předchozí část - vytvoření aktualizovatelných os kruhů. |
| Osa spojující dva body s definovaným přesahem je aktualizovatelná, pokud jsou oba body umístěny na aktualizovatelných 2D položkách (konec čáry, střední bod čáry nebo kvadrant na kružnici). V případě vytváření os ve 3D pohledu je osa dvěma body určena jako osa symetrických položek nebo řady děr, ale ne jako osa kružnice |
| Osy, roztečná kružnice. Tuto osu nelze vytvořit, pokud čáry odpovídající rotační ploše nejsou součástí 3D pohledu. Tento typ os je vytvořen jako aktualizovatelný. Viz Vytváření os rotační plochy, jak vytvořit takový typ os. |
| Roztečná kružnice je aktualizovatelná, pokud lze aktualizovat všechny automaticky detekované kružnice na roztečné kružnici. Také vnější průměr kružnice obklopující tyto kružnice nebo vnitřní otvor musí být aktualizovatelný. Viz Vytvoření roztečné kružnice, jak vytvořit takový typ kruhů. |
Šrafy ve 3D pohledu se aktualizují automaticky, pokud jsou jejich hranice vybrány jako obrys 3D řezu. Můžete také použít automatické rozpoznání těchto hranic:
| Detekce aktualizovatelných 3D řezů |
Příklad vytvoření aktualizovatelných šraf:

3D tělesa se zapnutým řezem. Čelní pohled je exportován do 2D oblasti.

Tato volba umožňuje detekovat hranice celé sekce v jednom kroku.

Hranice 3D řezu jsou detekovány.

Potvrzení šraf.

Vytvořené šrafy ve 3D řezu. Po změně 3D modelu jsou tyto šrafy automaticky aktualizovány.
VariCAD poskytuje nástroje pro kontrolu aktualizovatelných objektů a kontrolu správně nebo nesprávně aktualizovaných kót, os nebo šraf. Tyto položky lze dočasně nebo trvale zvýraznit.
Zvýraznit objekty vázané na pohledy ze 3D - HOD |
Vybraný typ objektů lze zvýraznit dočasně nebo trvale:
Aktualizované kóty s tolerancemi nebo pevnými texty lze zkontrolovat po automatických změnách, takže je můžete zvýraznit, aby byla kontrola snadnější.

Příklad zvýraznění - automaticky aktualizované kóty a další objekty.

Vybraný typ objektů je zvýrazněn.

Příklad zvýraznění - 2D čáry, křivky, kružnice nebo oblouky vytvořené exportem 3D pohledu.

Vybraný typ objektů je zvýrazněn. Kóty s nimi spojené budou automaticky aktualizovány.
Zrušit zvýraznění objektů - OOD |
Pokud jsou objekty trvale zvýrazněny - v příkazu popsaném výše nebo automaticky jako neaktualizované kóty můžete zvýraznění vypnout. Vyberte, zda vypnout zvýraznění v celém výkresu nebo ve výřezu.
Zaměřit první/další zvýrazněný objekt - ZOD |
Pokud jsou objekty trvale zvýrazněny - v příkazu popsaném výše nebo automaticky jako neaktualizované kóty můžete přiblížit každý jednotlivý objekt. Tato možnost může být užitečná v případě velkých výkresů obsahujících mnoho kót. Některé z neaktualizovaných kót lze přehlédnout. Automatické přiblížení usnadňuje zvládnutí každé nevyřešené situace.
| Zrušit zvýraznění objektů. Tato možnost vypne zvýraznění vybraných 2D objektů. Chcete-li zvýraznění vypnout, vyberte tuto možnost. |
| Odebere 3D vazby vybraných objektů. Tato možnost se zobrazí, pokud vyberete 2D objekty a některé z nich nelze aktualizovat. Klepnutím na možnost „Pro nesprávně aktualizované odebrání vazby k 3D“ vypnete 3D vazbu |
Odstranit objekty, které nelze aktualizovat - ROD |
Po změnách ve 3D a přepnutí do 2D se někdy může stát, že některé kóty, osy nebo šrafy nelze aktualizovat. Například když byly odpovídající 3D objekty odstraněny nebo nahrazeny. Těleso v následujícím příkladu bylo okótováno zde. Poté byl tvar změněn a rozměry byly aktualizovány.

Změněné těleso, které již bylo okótováno.

Horizontální kóty a osy kružnice byly správně aktualizovány po přesunutí odpovídajícího otvoru. Po vymazání odpovídajícího zaoblení se kóta poloměru automaticky zvýrazní a neaktualizuje.

Odstranění objektů, které nelze aktualizovat. Možnosti příkazů jsou zobrazeny v dialogovém panelu.
|
|
|