As dimensões, eixos e os padrões, são automaticamente atualizados depois de alterar o 3D. As ligações entre estes objetos 2D e os objetos 3D correspondentes, são criadas dentro da vista completa exportada do 3D, para o ambiente 2D. O VariCAD fornece uma série de ferramentas, para verificação dos objetos 2D atualizáveis.
As dimensões horizontais, verticais ou paralelas, são atualizadas automaticamente, se ambos os pontos dimensionados, estiverem selecionados dentro de uma vista 3D, nos objetos 2D. A deteção de uma localização atualizável, é assinalada por uma dica no cursor. Em frente das coordenadas, é mostrado o UPG+. Se um dos pontos dimensionados, não estiver localizado no objeto 2D exportado do 3D, ou se a localização não estiver dentro da mesma vista, a dimensão criada não é atualizável.
De modo similar, as dimensões angulares também são atualizáveis, se ambas as linhas detetadas, forem da mesma vista 3D exportada para a área 2D. A deteção de objetos que corresponde a uma dimensão atualizável, é mostrada como UPG+, próximo do cursor.
As dimensões de raios ou diâmetros, também são atualizáveis, se o círculo ou arco dimensionado, pertencer a uma vista 3D exportada para o 2D. Os símbolos de acabamento também são atualizáveis, se estiverem localizados num arco ou linha a partir de uma vista 3D. De novo, a deteção de objetos que corresponde a uma dimensão atualizável, é mostrada como UPG+, próximo do cursor.
Se um ponto dimensionado, estiver localizado numa extremidade de um eixo, a dimensão é atualizável se o eixo também o for.
As imagens seguintes, mostram um exemplo da criação de uma dimensão atualizável.

A vista de topo do sólido, vai ser criada e dimensionada.

Criação dos eixos do círculo. Um círculo é detetado e a barra de ferramentas próxima do cursor vai mostrar a ligação ao 3D (UPG+).

Eixos criados do círculo.

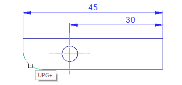
Criação de uma dimensão horizontal. A primeira localização (ponto), é detetada na extremidade do semi-eixo atualizável. A dica próxima do cursor, mostra a ligação ao 3D (UPG+).

É detetada a segunda localização (ponto) da dimensão horizontal.

Criação de uma dimensão raio. É detetado um arco. A dica próxima do cursor, mostra a ligação ao 3D (UPG+).

Dimensões terminadas.
Veja como estas dimensões são atualizadas depois de alterar a forma 3D.
Os eixos criados, são atualizáveis, se os objetos 2D correspondentes, também o forem.
| Os eixos do círculo ou arco, são atualizáveis, se o círculo ou arco correspondente foram atualizáveis. Veja a secção anterior – criação de eixos de um círculo, atualizáveis. |
| Um eixo a ligar dois pontos com um excesso definido, é atualizável, se ambos os pontos estiverem localizados em objetos 2D atualizáveis. Por exemplo, podemos detetar um ponto médio, um quadrante de um círculo, etc. No caso da criação de eixos dentro de uma vista 3D, o eixo por dois pontos é designado como eixo de objetos simétricos ou linha de furos, mas não como eixo de uma superfície de rotação |
| Eixos de uma superfície de rotação. Estes eixos não podem ser criados, se as linhas que correspondem à superfície de rotação, não forem parte da vista 3D. Este tipo de eixos é criado como atualizável. Veja Criação de eixos de uma superfície de rotação como criar esse tipo de eixos. |
| O círculo primitivo é atualizável, se todos os círculos detetados automaticamente no círculo primitivo, forem atualizáveis. Também, o diâmetro exterior a envolver estes círculos ou o furo interno deve ser atualizável. Veja Criação de círculo primitivo como criar esse tipo de círculos. |
Os padrões na vista 3D, são atualizados automaticamente, se as suas fronteiras forem selecionadas completamente como limites de uma secção 3D. Também, pode ser usada a opção correspondente para detetar tais fronteiras, automaticamente:
| Deteção de secções 3D atualizáveis |
Exemplo da criação de padrões atualizáveis:

Um sólido 3D com a secção ligada. A vista de frente é exportada para a área 2D.

Esta opção permite detetar fronteiras de toda a secção, num único passo.

São detetadas as fronteiras de uma secção 3D

Confirmação dos padrões

Padrões criados de uma secção 3D. Depois das alterações do modelo 3D, estes padrões vão ser reconstruídos automaticamente.
O VariCAD fornece ferramentas para a verificação de objetos atualizáveis e também para a verificação de dimensões atualizadas de forma própria ou imprópria, eixos ou padrões. Estes objetos podem ser realçados de forma temporária ou permanente.
Realçar Objetos Relacionados com a Exportação para a Vista 3D - HOD |
Os tipos selecionados de objetos, podem ser realçados de forma temporária ou permanente. Podem ser realçados:
As dimensões atualizadas com tolerâncias ou textos fixos, podem ser verificadas depois das alterações automáticas, de modo a que possam ser realçadas e assim ser feita uma verificação de forma mais fácil.

Exemplo de seleção de um realce – dimensões atualizadas automaticamente e outros objetos.

O tipo selecionado de objetos, está realçado.

Exemplo de seleção de um realce – linhas 2D, curvas, círculos ou arcos criados pela exportação de uma vista 3D.

O tipo selecionado de objetos, está realçado. As dimensões ligadas a estes, vão ser atualizadas de forma automática.
Highlight Objects Off - OOD |
Se os objetos estiverem realçados de forma permanente – no comando descrito acima, ou automaticamente como dimensões não atualizáveis, é possível desligar o realce. O utilizador pode selecionar se deseja desligar o realce em todo o desenho ou apenas na janela de seleção.
Zoom in on Highlighted Dimensions - ZOD |
Se os objetos estiverem realçados de forma permanente – no comando descrito acima, ou automaticamente como dimensões não atualizáveis, é possível fazer zoom a cada objeto individualmente. Esta opção pode ser útil no caso de desenhos muitos grandes e que contenham muitas dimensões. Algumas das dimensões não atualizadas, podem ser omitidas deste procedimento. A função de zoom automático, torna mais fácil este procedimento para resolução das situações pendentes.
| Desligar o realce dos objetos selecionados. Esta opção aparece, se forem selecionados objetos 2D e alguns destes estiverem realçados. Clique na opção “Para realçados, desligar realce” para desligar o realce |
| Remover as ligações 3D dos objetos selecionados. Esta opção aparece, se forem selecionados objetos e alguns destes não poderem ser atualizados. Clique na opção “Para atualizados impropriamente, remover ligações ao 3D” para desligar as ligações 3D |
Remover Objetos Incapazes de serem Atualizados - ROD |
Depois de alterar o 3D e trocar para o modo 2D, algumas dimensões, eixos ou padrões, podem não ser atualizados. Tipicamente, se os seus objetos 3D correspondentes forem removidos ou substituídos. No seguinte exemplo, um sólido foi dimensionado aqui. Depois, a forma foi alterada e as dimensões foram atualizadas.

Um sólido alterado, já dimensionado.

As dimensões horizontais e eixos do círculo, foram ajustadas devidamente, depois do furo correspondente ter sido movido. A dimensão do raio foi automaticamente realçada e não atualizada, depois de apagar o boleado correspondente.

Remoção de objetos incapazes de serem atualizados. As opções do comando, são mostradas no painel de diálogo.
|
|
|