Kótování slouží k popisu tvaru nakreslených položek. Všechny funkce kótování jsou dostupné z roletového menu "Menu" - "Kreslení" jako kótování jednoduché, sdružené a předznačené, nebo z ikonového menu "Kótování". Kóty se vytváří zadáním prvního a druhého bodu na kótované položce nebo v některých případech výběrem položky, a následným umístěním polohy kóty a textu kóty vlečením. Mnoho možností kótování je dostupné během kótování z dočasných ikonových menu.
Pokud jsou kóty vytvořeny v 3D pohledech exportovaných do 2D oblasti, vytvoří se vazba mezi kótami a odpovídajícími rozměry 3D těles. Po změně 3D geometrie a návratu do 2D režimu se kóty automaticky aktualizují. Viz Automatické aktualizace rozměrů, os a šrafů po změnách ve 3D
Existující kóty lze snadno editovat. Tvar a styl kót, včetně vlastností textů mohou být nastaveny. Velikost šipek kót je odvozena od výšky textu kót.
Kóty vodorovné - KHO |
Kóty svislé - KVE |
Kóty šikmé - KSI |
Tyto kóty se vytváří zadáním prvního a druhého kótovacího bodu na kótované položce, a následným umístěním polohy kóty a textu kóty.
| Po zadání druhého bodu kóty se aktivuje možnost umístit polohu kóty podle již existujících kót. |
Dostupné možnosti způsobů kótování:
Poslední možnost v menu umožní nastavení stylu kótování.

Příklad změny šipek kót na body
| Měřítko kótování |
Používá se v případě, že část výkresu je v jiném měřítku. Např. zvětšený detail. Pak naměřené hodnoty jsou násobeny příslušným měřítkem.
| Změna textu kóty nebo tolerance |
Texty kót jsou generovány automaticky. Vlastnosti textu kót lze nastavit. Můžete si vybrat tuto možnost kliknutím na příslušnou ikonu v toolbaru, z pop-up menu (k dispozici ve výchozím nastavení po Ctrl + pravé tlačítko myši), nebo velmi pohodlně stisknutím klávesy TAB při umístění textu kóty. Poslední možnost vám umožňuje snadno vybrat vstupní textové pole, pokud stisknete klávesu TAB opakovaně - vstup je změněn z textu kóty na horní, pak dolní tolerance. Textové okno umožňuje zadání speciálních znaků kliknutím na odpovídající ikony.
Textové okno kótování umožňuje zadávat speciální znaky kliknutím na odpovídající ikony. Můžete také kliknout na ikonu závorek - pak je celý text uzavřen do závorek. Text kóty je po změnách řádně aktualizován a zůstává uzavřen i v závorkách.

Změna textu kóty
Tyto funkce jsou vhodné pro kótování závitů a rotačních součástí v bočním pohledu. Značka průměru nebo závitu se automaticky vkládá před hodnotu kóty, takže není nutné text kóty editovat.
Kóty vodorovné průměru - KHD |
Kóty svislé průměru - KVD |
Kóty šikmé průměru - KSD |
Kóty vodorovné závitu - HZA |
Kóty svislé závitu - VZA |
Kóty šikmé závitu - SZA |

Příklad kótování s předznakem
Násobné kótování obrysu od jedné základny pro více kót. U první kóty se zadává první a druhý bod kóty a její poloha, u dalších jen druhý bod a poloha textu kóty. Při zapnutém centrování textu kóty stačí jen druhý bod a kóta je vytvoří.
Kóty vodorovné od základny - KHZ |
Kóty vodorovné řetězové - KHR |
Kóty vodorovné souřadnicové - HRZ |
Kóty svislé od základny - KVZ |
Kóty svislé řetězové - KVR |
Kóty svislé souřadnicové - VRZ |
Kóty šikmé od základny - SKZ |
Kóty šikmé řetězové - SKR |
Kóty šikmé souřadnicové - SRZ |

Příklad kót od základny, v řetězu a souřadnicových
Kóty úhlu - KUH |
Pro změny tvaru kót.
Kótuje úhel mezi dvěma čárami. Během zadávání úhlové kóty jsou opět k dispozici rozšiřující možnosti způsobu kótování:
| Měří úhel větší než 180 stupňů. |
| Měří úhel menší než 180 stupňů (základní nastavení). |
| Měří doplňkový úhel. |
| Vypíná měření doplňkového úhlu. |

Příklad základního nastavení měření úhlu, doplňkového a většího než 180 stupňů
Kótování poloměrů - KRA |
Kótování průměrů - KDI |
Kótuje oblouky a kružnice. Při kótování poloměru je možnost volby:
Kóty závitu - DZA |
Vodorovná kóta závitu - HZA |
Svislá kóta závitu - VZA |
Šikmá kóta závitu - SZA |
Pokud je závit vytvořen ve 3D a následně exportovat do 2D, a to buď v řezu, nebo v pohledu, pak kótovací text je vytvořen automaticky v závislosti na odpovídajícím závitu na 3D objektu. Rozměry odpovídají závitu (metrický závit, trubkový závit,...) a velikosti závitu (M10, M10x1 ...). Pro správnou funkci kótování závitu je důležité používat při tvorbě 2D dokumentace pravoúhlé promítání.
Šipka s textem - STJ |
Vytvoří text na čáře se šipkou.
Lomená šipka s textem - STL |
Vytvoří text nad i pod lomenou čárou se šipkou.

Šipka s textem
Nastavení kót - KPR |
Nastaví vlastnosti kót tak, aby splňovali požadavky norem ISO a ANSI, případně další mezinárodní standardy:
Změna nastavení kótování podle různých standardů kreslení, jako DIN nebo ANSI. Nastavení je společné i pro kóty drsnosti a šipky s textem.
Změna stylu vybrané kóty - EDSK |
Tento příkaz změní styl vybrané kóty nebo kót (všechny z celého výkresu) na styl zkopírovaný z jiné kóty, nebo podle aktuálního nastavení kótovacího stylu.

Dialogový panel nastavení kót

Příklad kótovacích stylů
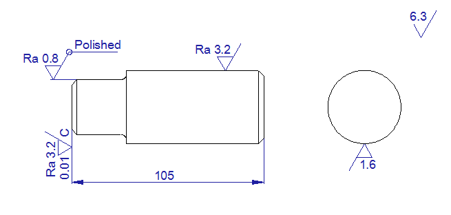
Kóty drsnosti - KDR |
Značí drsnost povrchu součástí v dokumentu. Značky drsnosti lze umístit na čáry a kružnice (oblouky) a na vynášecí čáry kóty (včetně možnosti ji prodloužit). Umístění značky drsnosti včetně zvětšení je možné i do rohu dokumentu bez nutnosti zachytit se na položku.

Příklad použití značek drsností
Kótování svarů - KSV |
Vytvoří kótu, složenou ze základních a doplňkových značek svarů, textů a číselných hodnot, odkazů, tabulek a šipek. Při zadávání kóty se v okně zobrazuje výsledná podoba kóty. Nejčastěji používané kóty lze ukládat pro opětovné použití. Při vkládání kóty svaru do dokumentu se zadá první bod v místě svaru a druhý bod pro umístění kóty.

Dialogový panel kótování svarů

Příklad jednoduché kóty svaru.
Způsob kótování svarů - NZS |
Přepíná styl kótování svarů podle normy ISO nebo ANSI.
Tolerance tvaru a polohy - KTP |
Obdobná funkce jako "Kótování svarů". Při vkládání kóty tolerance do dokumentu se po zadání prvního bodu automaticky zapíná Ortho mód pro snadnější umístění kóty na lomené odkazové čáře. Potvrzením polohy kóty pravým tlačítkem myši se zvolí poloha kóty.

Dialogový panel tolerance tvaru a polohy
VariCAD má komplexní systém řešení pozicování položek a jejich vzhled ve 2D. Pokud archivní maska (BOM) obsahuje atribut typu "Pozice", můžete generovat čísla položek (pozic) spolu s dalšími atributy. Kromě toho můžete generovat čísla položek do kusovníku. Zde můžete generovat čísla pozic v daném rozsahu položek nebo pro celou sestavu v jednom kroku. Také můžete odstranit čísla pozic stejným způsobem. Více informací naleznete v části Generování pozic položek v archivu.
Jsou-li pozice vygenerovány a položky jsou exportovány do 2D výkresů spolu s odpovídajícími 2D pohledy na 3D těleso, ve 2D se během pozicování automaticky nabízejí čísla pozic 2D položek.
Pokud změníte čísla položek ve 3D a pokud provedete nový export (reexport) 3D pohledů do oblasti 2D, mohou být čísla položek kontrolovány a aktualizovány automaticky. V případě potřeby mohou být pozice snadno vymazány z celého 2D výkresu nebo z vybrané 2D oblasti. Pozice mohou být vybírány filtrem jako podtyp položky typu kóta.
Styl pozic v 2D lze upravit stejně jako styl kót. Nastavení stylu pozic je součástí nastavení kót.
Vytvoření pozic - PZI |
Tento příkaz vytvoří 2D pozice. Pokud byl vygenerován 2D výkres ze 3D a pokud 3D tělesa mají vygenerovaná čísla položek (pozice), jsou pozice (čísla) automaticky přidělena také každé 2D položce. V opačném případě je číslo pozice přiřazeno od 1 a každá další pozice má číslo zvýšené o jedničku.
Během pozicování jsou k dispozici následující možnosti:
| Změna čísla pozice. |
| Změní stylu pozice nebo kóty. |
| Nastavuje vzdálenost mezi sousedními pozicemi. |
| Vodící čáry na vybrané pozici. To umožní umístit další pozici vodorovně nebo svisle od vybrané pozice. |
| Vynášecí čára pozice je křivka. Tato volba umožní přepnout vynášecí čáru pozice na křivku. |
| Vynášecí čára pozice je přímka. Tato volba vypne vynášecí čáru jako křivka. |

Pozice, atributy textu

Pozice, nastavení strany textu

Pozice, nastavení strany u 2D čáry

Příklad pozic
Chcete-li změnit stávající pozici, klepněte na ni pravým tlačítkem a vyberte z nabídky.
| Editovat pozici. To umožňuje změnit tvar pozice stejným způsobem, jakým byla vytvořena. |
| Editovat text pozice. |
Pokud jste již vygenerovali čísla pozic ve 3D a byl vytvořen 2D výkres obsahující pozice, můžete znovu změnit čísla pozic ve 3D. Ve výkresu 2D se pozice správně přepíšou nebo zkontrolují podle následujícího příkazu (po reexportu 2D výkresu):
Kontrola a automatické přečíslování pozic - KPZI |
Pokud se mají pozice přečíslovat, zobrazí se následující dialog:

Přečíslování pozic
Po potvrzení se pozice přepíšou na nové hodnoty a volitelně zvýrazní. Zvýraznění přepsaných pozic se vypne opětovným spuštěním příkazu.
Editace kóty - EKO |
Tato funkce umožní u vybrané kóty změnit její polohu včetně změny textu a vlastnosti kóty, kromě polohy vynášecích čar.
Posun textu kóty - PKT |
Tato funkce umožní u vybrané kóty změnit polohu textu kóty. Posouvá se pouze text, vynášecí a kótovací čáry zůstanou beze změn. Vhodné pro situace, kdy je mnoho kót blízko sebe.
Editace textu kóty - EKT |
Tato funkce umožní u vybrané kóty změnit text a vlastnosti kóty.
|
|
|